| Availability: | |
|---|---|
| Quantity: | |
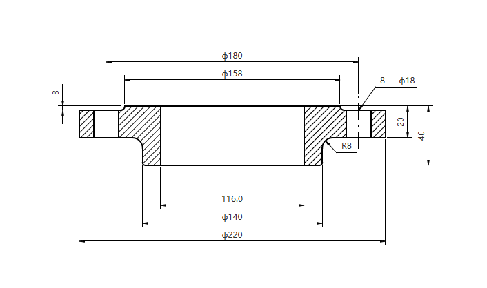
SO Flange
SDFL

Lower cost: Compared with the weld neck flange (WN), it uses less raw materials and has lower manufacturing costs.
Convenient installation: No complicated groove processing is required, and pipeline alignment and initial positioning are easier. The construction of internal and external fillet welds is simple, and the requirements for welders' skills are relatively low.
Easy alignment: The pipeline is naturally initially aligned after insertion, which facilitates subsequent bolt tightening.
Lower strength: Its strength is about 2/3 of that of the corresponding neck weld flange, and its fatigue resistance is poor, so it is not suitable for occasions with severe bending stress or large pressure fluctuations.
Slightly poor corrosion resistance: The gap between the flange and the pipeline may become the starting point of crevice corrosion, especially in corrosive environments.
Not suitable for high-risk working conditions: It is not recommended for harsh working conditions involving highly toxic, flammable and explosive substances, extremely high pressure or frequent temperature cycles.

Lower cost: Compared with the weld neck flange (WN), it uses less raw materials and has lower manufacturing costs.
Convenient installation: No complicated groove processing is required, and pipeline alignment and initial positioning are easier. The construction of internal and external fillet welds is simple, and the requirements for welders' skills are relatively low.
Easy alignment: The pipeline is naturally initially aligned after insertion, which facilitates subsequent bolt tightening.
Lower strength: Its strength is about 2/3 of that of the corresponding neck weld flange, and its fatigue resistance is poor, so it is not suitable for occasions with severe bending stress or large pressure fluctuations.
Slightly poor corrosion resistance: The gap between the flange and the pipeline may become the starting point of crevice corrosion, especially in corrosive environments.
Not suitable for high-risk working conditions: It is not recommended for harsh working conditions involving highly toxic, flammable and explosive substances, extremely high pressure or frequent temperature cycles.